1. Электроника
  2. ЭЛЕКТРОНИКА и бытовая ТЕХНИКА
  3. Печатные платы, модули
  4. Комплекты для монтажа

Электронная лазерная арфа для самостоятельной пайки



#товара: 12499968857

Все товары продавца: Dikson_xxx

Состояние Новый

Счет-фактура Я выставляю счет-фактуру НДС

Код производителя Электронная лазерная арфа DIY KIT

Производитель Инна (DIY)

Количество 20 штук

  • Количество

  • Проблемы? Сомнения? Вопросы? Задайте вопрос!

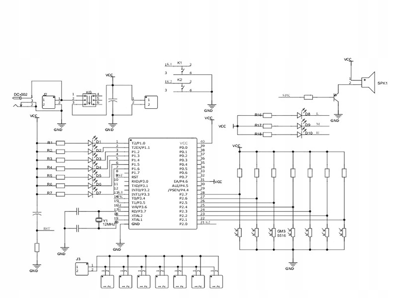
    Лазерная Электронная Арфа

    для самостоятельной сборки, пайки.

    Система средний легкий

    Лазерная электронная арфа-это Арфа без струн. Вместо этого это ярко-красный лазерный луч, показывающий семь нот. Пользователям нужно только переместить луч, то есть заблокируйте лазер пальцами, так же, как они перемещают струны, они могут играть мелодию.

    Вы также можете настроить мин: бас, средние и высокие частоты в общей сложности, есть 21 различных звуков с широким диапазон и несколько встроенных треков темной среде или плитка: 111 x 65 мм

    Инструкция:

    На макетах напечатана Схема монтажа на плате. Нужно обратить внимание на полярность светодиоды более длинная ножка-плюс, большинство элементов имеют описанные параметры на корпусе. Резисторы они могут иметь маркировку полосы их сопротивление и допуск можно прочитать с помощью калькуляторов доступны в интернете или путем измерения с помощью измерителя. в зависимости от макета, мы сначала собираем самые маленькие элементы.

    Корзина 0