1. Электроника
  2. ЭЛЕКТРОНИКА и бытовая ТЕХНИКА
  3. Механические части
  4. Радиаторы

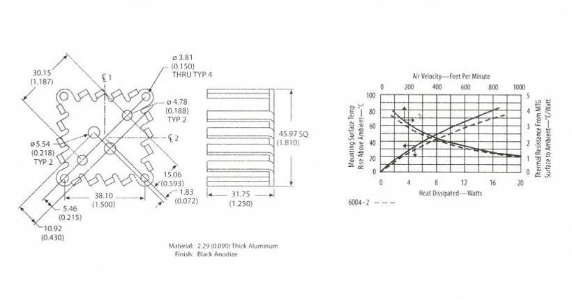
RADIATOR THM6004-2 AAVID THERMALLOY TO3 za 2szt



#товара: 12028526206

Все товары продавца: STANDBY-SHOP

Состояние Новый

Счет-фактура Я выставляю счет-фактуру НДС

Производитель Другое

Символ THM6004-2

Код производителя THM6004-2

Количество 22 штук

  • Количество

  • Проблемы? Сомнения? Вопросы? Задайте вопрос!

    Witamy!

    Oferujemy     Radiator THM6004-2

    radiator do elementów w obudowach TO3;

    rezystancja termiczna 5C/W; materiał - aluminium,wykończenie - black anodize

    Pełna nazwa: THM6004-2 -new part number 500403B00000G

    Producent: AAVID THERMALLOY

    Elementy nowe

    Podana cena dotyczy 1 kompletu czyli 2 sztuk

    Корзина 0